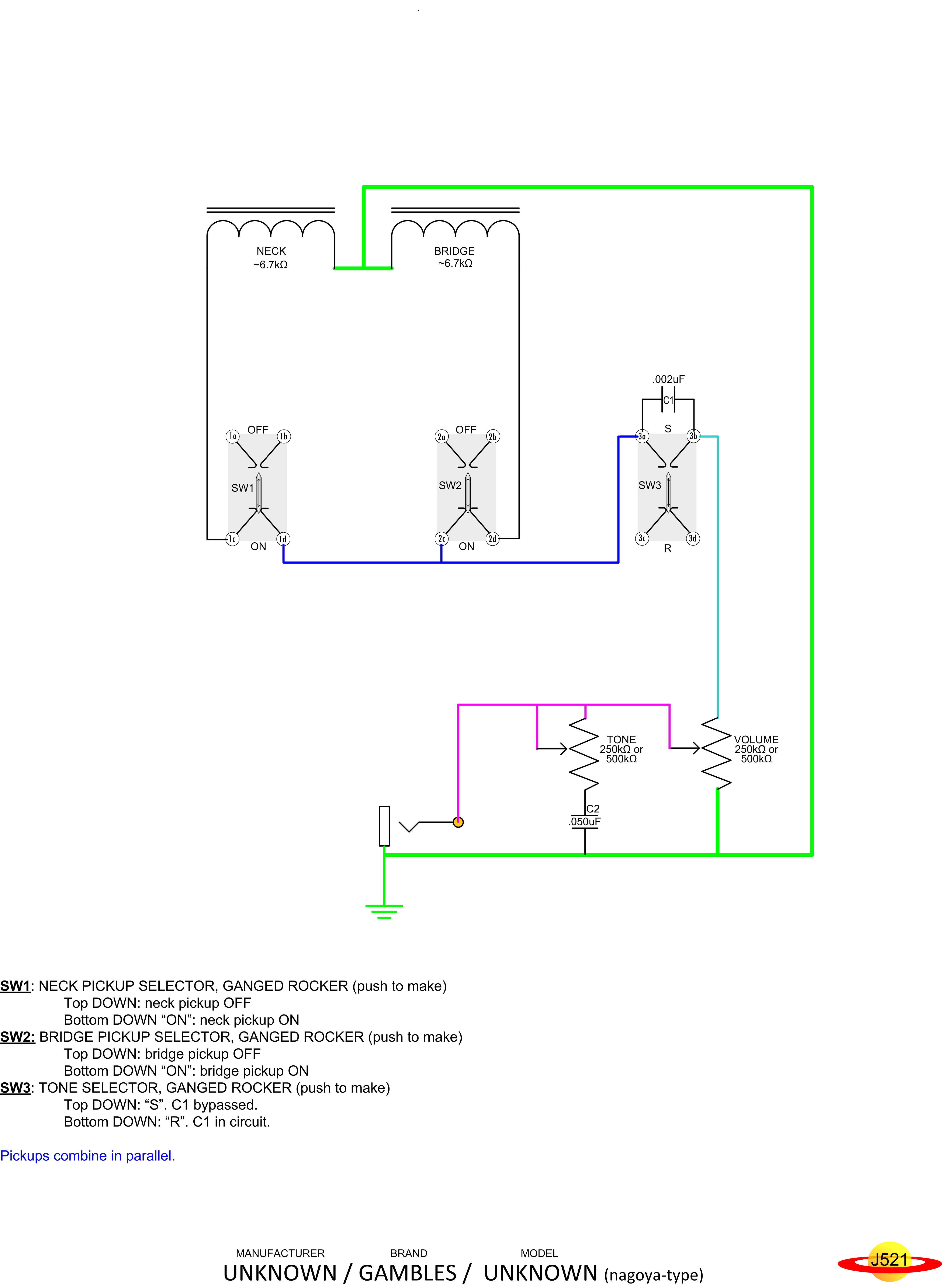
UNKNOWN Gambles Unknown nagoya-type
Manufacturer
UNKNOWN
Brand
Gambles
Model
Unknown
Instrument
Guitar
# Pickups
2
View Diagram
View Schematic