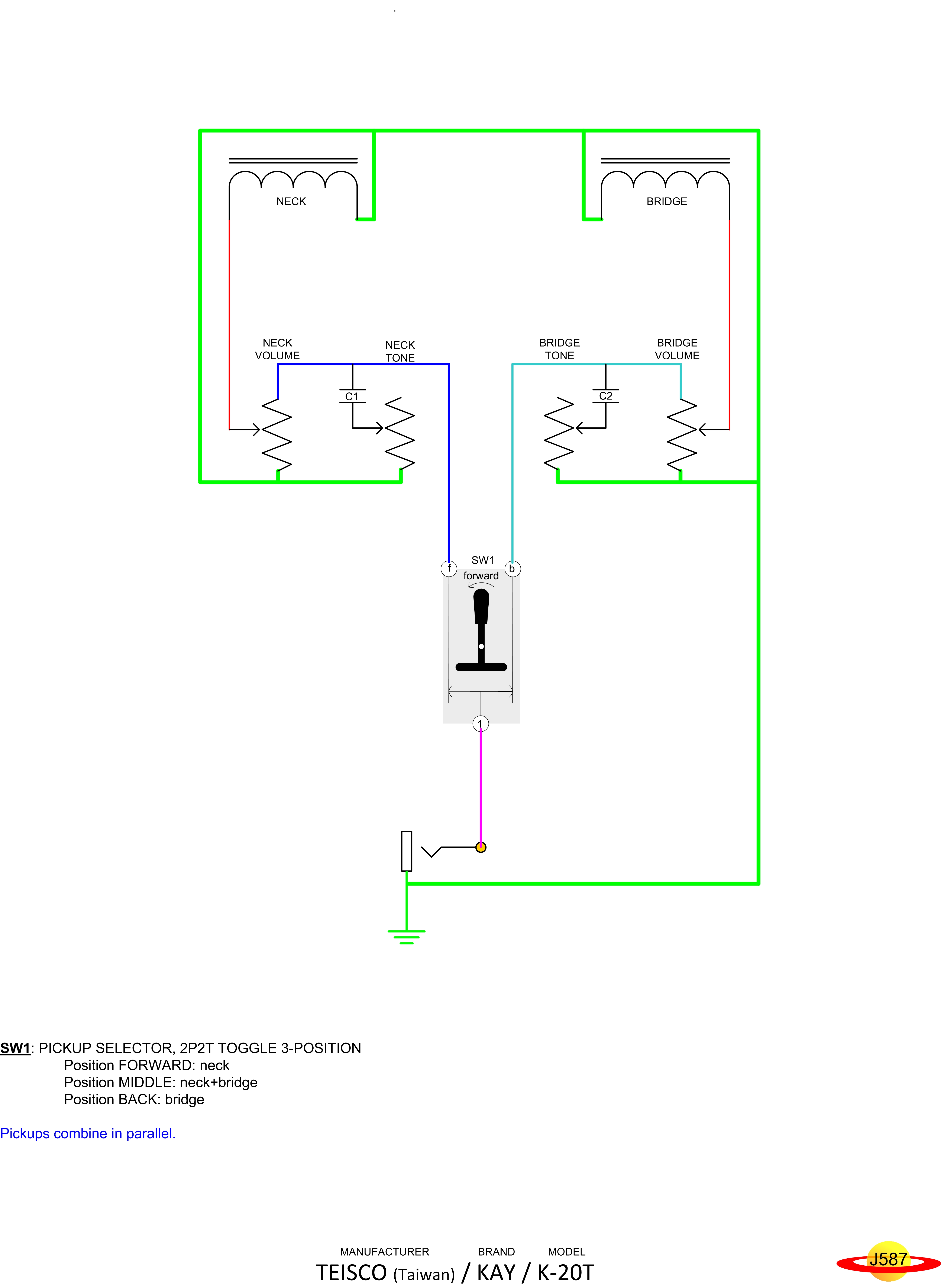
TEISCO mit Kay K-20T
Manufacturer
TEISCO
Brand
Kay
Model
K-20T
Instrument
Guitar
# Pickups
2
View Diagram
View Schematic