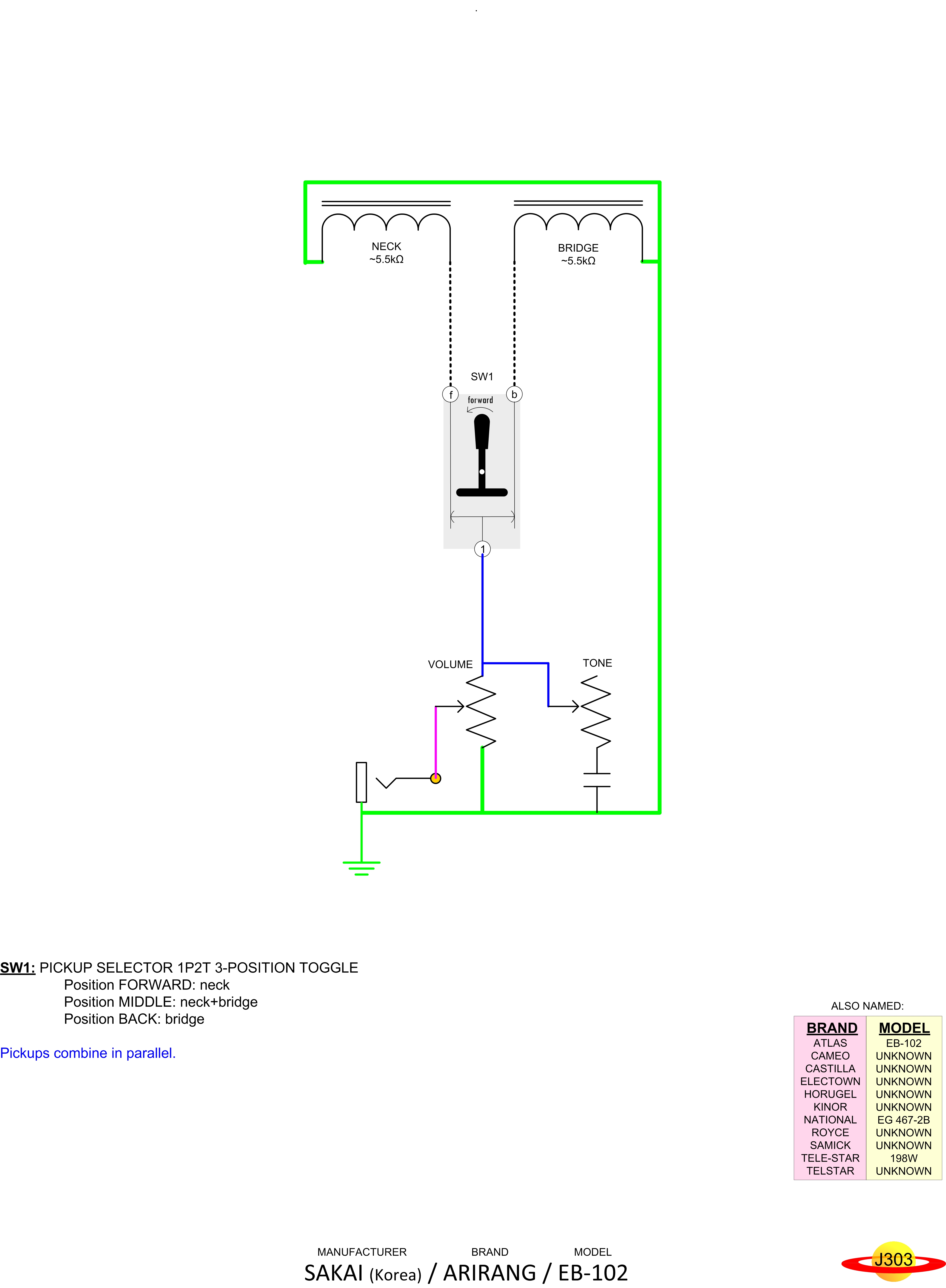
SAKAI Arirang EB-102
Manufacturer
SAKAI
Brand
Arirang
Model
EB-102
Instrument
Bass
# Pickups
2
View Diagram
View Schematic