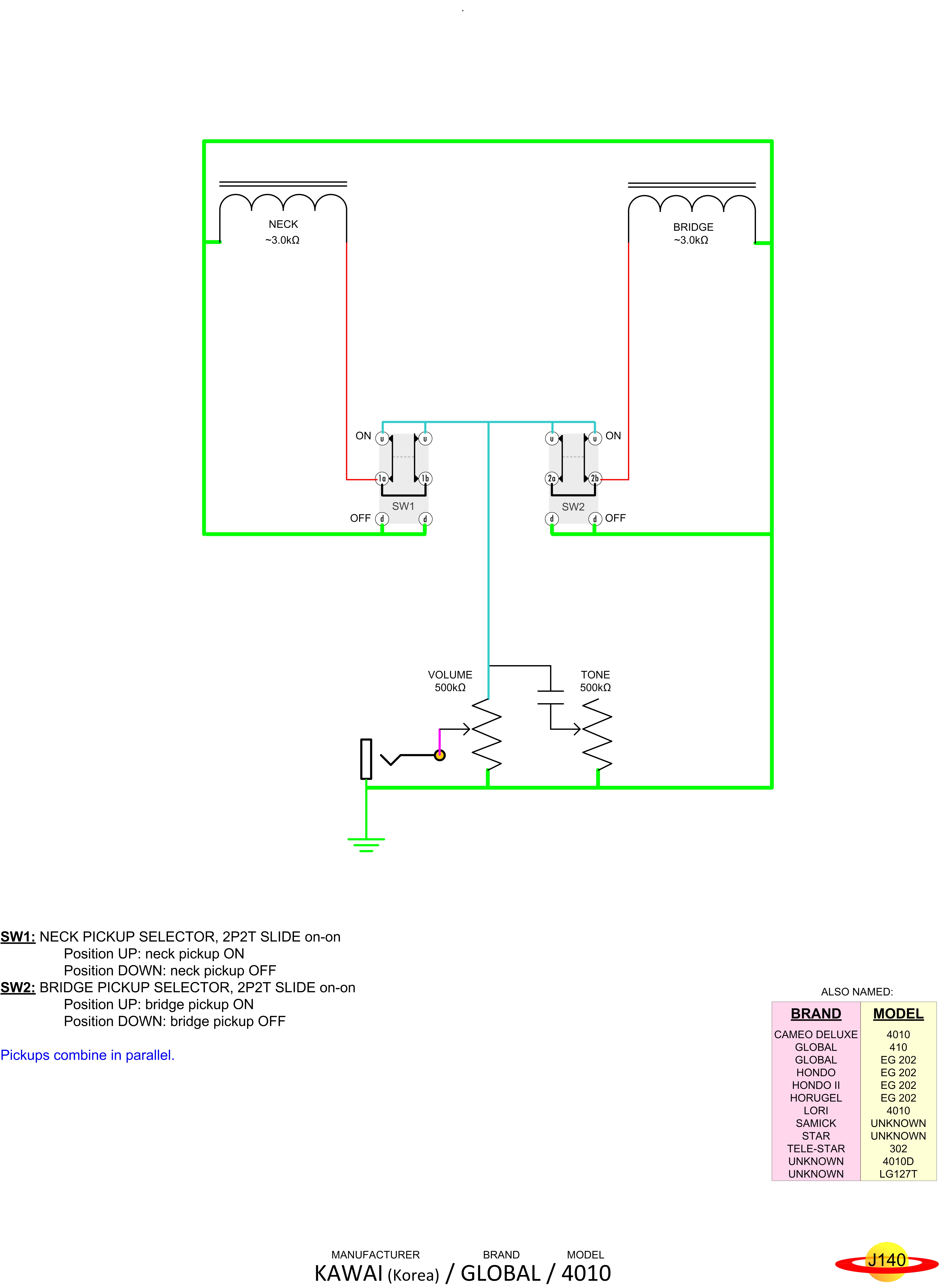
KAWAI Global 4010
Manufacturer
KAWAI
Brand
Global
Model
4010
Instrument
Guitar
# Pickups
2
View Diagram
View Schematic