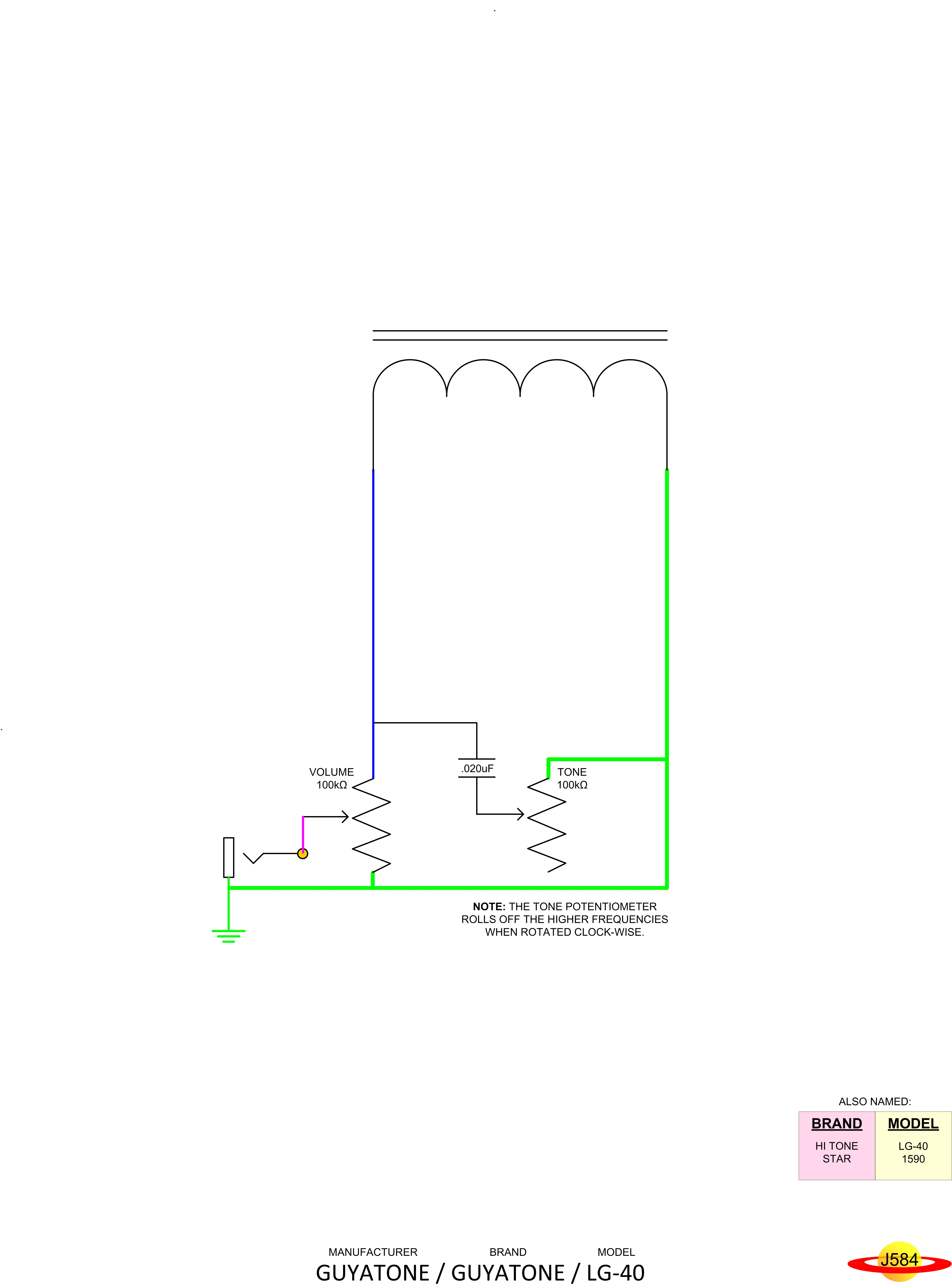
GUYATONE Guyatone LG-40
Manufacturer
GUYATONE
Brand
Guyatone
Model
LG-40
Instrument
Guitar
# Pickups
1
View Diagram
View Schematic