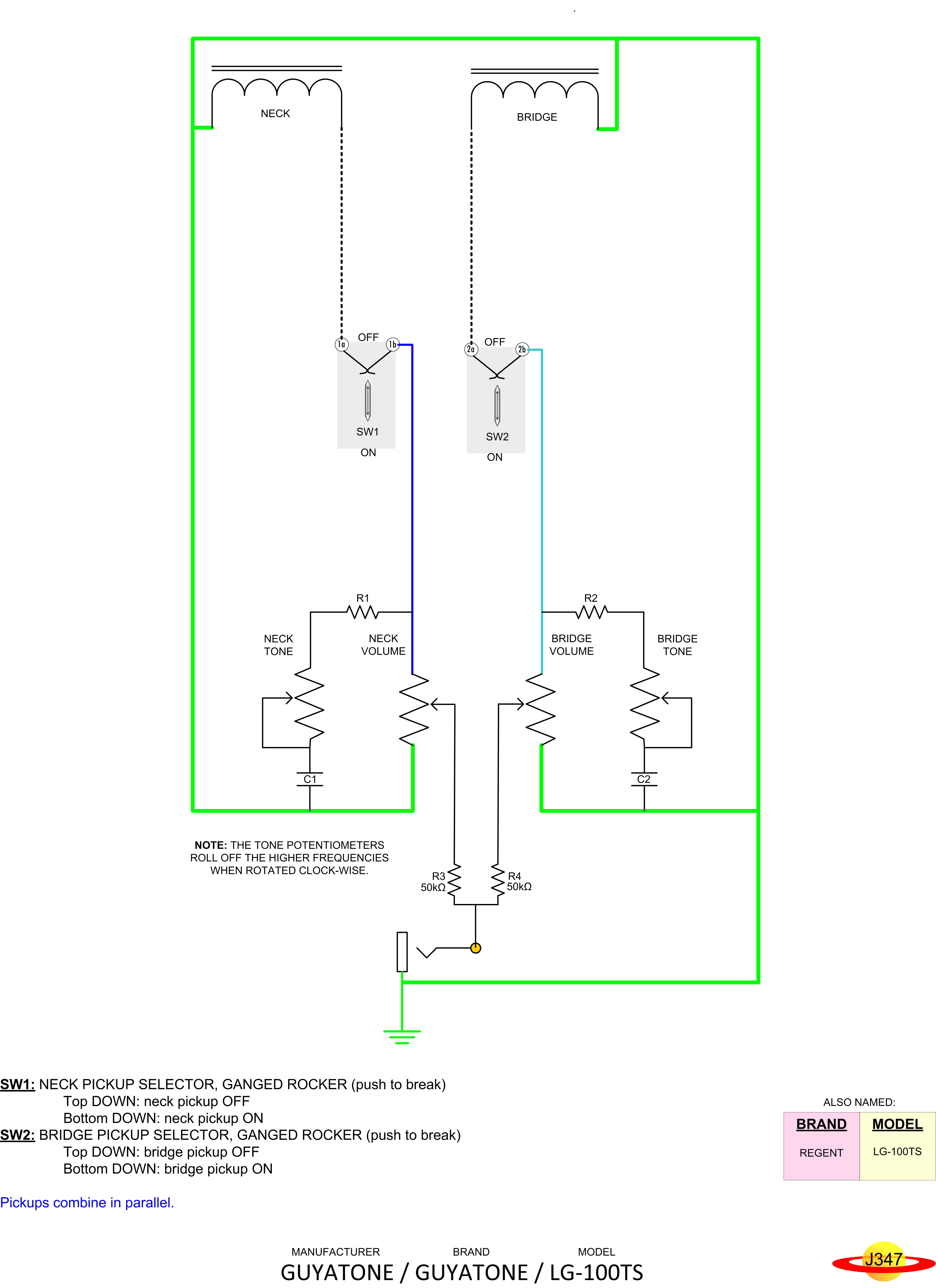
GUYATONE Guyatone LG-100TS
Manufacturer
GUYATONE
Brand
Guyatone
Model
LG-100TS
Instrument
Guitar
# Pickups
2
View Diagram
View Schematic